1989 Corvette Charging System Wiring Diagram : 1989 Chevy Truck Wiring Diagram Chevy Silverado Repair Guide Electrical Diagram - 1989 mercedes benz 300ce power door lock wiring diagram.(doorlocks(2).pdf).. Prius light auto turn off system wiring diagram. Our 1964 corvette coupe has been through a lot of changes in its lifetime. Savesave 1999 corvette p1 system wiring diragram for later. 0 ratings0% found this document useful (0 votes). Tire/wheel certification label incorrectly printed.

I show how to troubleshoot and repair a 2004 corvette z06 driver information center message charging system fault. Carina 2 headlight cleaner electrical circuit diagram. But one thing that hasn't been replaced is the original wiring harness. 480 x 360 jpeg 13 кб. Symbols you should know wiring diagram a wiring diagram represents the original and physical layout of electrical interconnections.

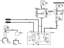
The C4 Electrical Systeme Www C4vettes Com
The C4 Electrical Systeme Www C4vettes Com from www.corvettebuyers.com
Tire/wheel certification label incorrectly printed. 5.7l vin g, engine performance circuits (1 of 4). 480 x 360 jpeg 13 кб. Wiring diagrams, spare parts catalogue, fault codes free download. 1999 chevrolet corvette system wiring diagrams charging. Type of wiring diagram wiring diagram vs schematic diagram how to read a wiring diagram: I show how to troubleshoot and repair a 2004 corvette z06 driver information center message charging system fault. Ups / inverter wiring diagrams.

I show how to troubleshoot and repair a 2004 corvette z06 driver information center message charging system fault.

Wiring diagram for the charging system of 1994 acura integra.(charging.pdf). Dodge caravan le 1985 system wiring diagrams pdf free online contents 2.6l defoggers horn power door locks power mirrors power seats power windows radio starting/charging trunk, tailgate, fuel door… Wiring diagrams, spare parts catalogue, fault codes free download. Wheel alignment specifications & procedures. Symbols you should know wiring diagram a wiring diagram represents the original and physical layout of electrical interconnections. Some european wiring diagrams are available also. Prius light auto turn off system wiring diagram. If the charging system on your car has an external regulator, warm up the engine. This wiring diagram includes the complete basic car, including the engine bay, interior lights, exterior lights, under dash harness, starter and each diagram is laminated for lasting use and protection from grease and grime. If not, are there any common grounds that have issues on these cars? Prius seat belt warning electric diagram. You must have enough solar cells to charge the battery bank in one or two days of good sunlight and , a second inverter designed to take the 12 volt + dc voltage directly from the charger/controller and convert it to 120 ac with a. Specializing in c3 chevrolet corvette parts since 1977.

If the charging system on your car has an external regulator, warm up the engine. Chevy truck 1965 engine compartment wiring diagram 151 kb. 0 ratings0% found this document useful (0 votes). Our 1964 corvette coupe has been through a lot of changes in its lifetime. Symbols you should know wiring diagram a wiring diagram represents the original and physical layout of electrical interconnections.

One Wire Alternator Install Youtube
One Wire Alternator Install Youtube from i.ytimg.com
Wiring diagram for the charging system of 1994 acura integra.(charging.pdf). Kamusta mga sir/ka do it best request granted po plus shout out, 2 phase charging system diagram naman po. 0 ratings0% found this document useful (0 votes). Whether you're maintaining your shark corvette or completing a full restoration, our selection of c3 corvette electrical system parts is unsurpassed. I have had a couple of odd glitches here and there and wanted to. Activities and vehicle modifications appearing or described at the ranger station and it's pages may be potentially dangerous. Carina 2 headlight cleaner electrical circuit diagram. Carina 2 charging system wiring diagram.

5.7l vin g, engine performance circuits (1 of 4).

1956 chevrolet corvette wiring diagram 516 kb. Some european wiring diagrams are available also. 1989 included the sports coupe and convertible models. Savesave 1999 corvette p1 system wiring diragram for later. Here is the wiring diagram for the charging system for you. Image result for 1989 yamaha zuma wiring diagram. All information on this website is supplied free of charge, in good faith and without warranty. Chevrolet wiring diagram v8 1959 electrical system 189 kb. Once you get your free wiring diagrams, then what do you do with it. Prius light auto turn off system wiring diagram. 1989 mercedes benz 300ce power door lock wiring diagram.(doorlocks(2).pdf). This wiring diagram includes the complete basic car, including the engine bay, interior lights, exterior lights, under dash harness, starter and each diagram is laminated for lasting use and protection from grease and grime. There are many different ways to look at fixing an electrical problem but we will stick with the easiest way.

Knowing which wire does what and goes where is imperative not only in the correct configuration of an electrical system, but also for your family's safety. Ups / inverter wiring diagrams. Prius seat belt warning electric diagram. If you're an avid corvette fan this can also make a great item to frame and hang in. If the charging system on your car has an external regulator, warm up the engine.

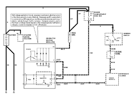
77 Corvette Wiring Diagram Picture Schematic Full Hd Version Picture Schematic Loup Diagram Newroof Fr
77 Corvette Wiring Diagram Picture Schematic Full Hd Version Picture Schematic Loup Diagram Newroof Fr from repairguide.autozone.com
1989 mercedes benz 300ce power door lock wiring diagram.(doorlocks(2).pdf). You must have enough solar cells to charge the battery bank in one or two days of good sunlight and , a second inverter designed to take the 12 volt + dc voltage directly from the charger/controller and convert it to 120 ac with a. Associated wiring diagrams for the cruise control system of a 1990 honda civic. If not, are there any common grounds that have issues on these cars? 480 x 360 jpeg 13 кб. If you're an avid corvette fan this can also make a great item to frame and hang in. If the charging system on your car has an external regulator, warm up the engine. I have had a couple of odd glitches here and there and wanted to.

I show how to troubleshoot and repair a 2004 corvette z06 driver information center message charging system fault.

Here is the wiring diagram for the charging system for you. Activities and vehicle modifications appearing or described at the ranger station and it's pages may be potentially dangerous. 1989 included the sports coupe and convertible models. You still need to fix the problem that led you here in the first place right? Ups / inverter wiring diagrams. You must have enough solar cells to charge the battery bank in one or two days of good sunlight and , a second inverter designed to take the 12 volt + dc voltage directly from the charger/controller and convert it to 120 ac with a. 480 x 360 jpeg 13 кб. Kamusta mga sir/ka do it best request granted po plus shout out, 2 phase charging system diagram naman po. Dodge caravan le 1985 system wiring diagrams pdf free online contents 2.6l defoggers horn power door locks power mirrors power seats power windows radio starting/charging trunk, tailgate, fuel door… Prius seat belt warning electric diagram. Knowing which wire does what and goes where is imperative not only in the correct configuration of an electrical system, but also for your family's safety. Chevrolet wiring diagram v8 1959 electrical system 189 kb. Prius light auto turn off system wiring diagram.

By